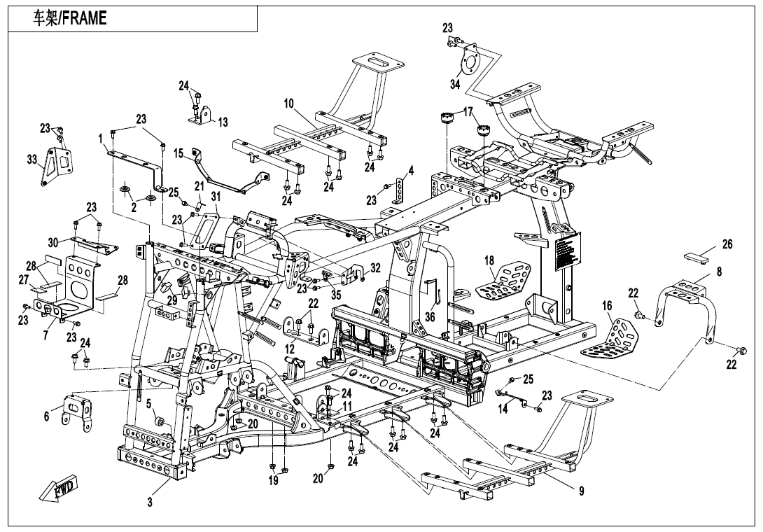
No.
03
9AWA-031000-D0000
1 195,00 € 1 195,00 €
03
9AWA-031000-E0000
1 188,00 € 1 188,00 €
04
9AWA-030001
3,50 € 3,50 €
06
08
09
10
16
18
22
23
24
30006-080020810
1,50 € 1,50 €
25
30006-060012810
1,50 € 1,50 €
30
