Product engine:
2011, ENGINE, CF188 HEADLIGHT - F01
DASHBOARD - F02
HANDLEBAR-01 - F03
HANDLEBAR-02 - F04
PLASTIC PARTS-01 - F05
PLASTIC II - F06
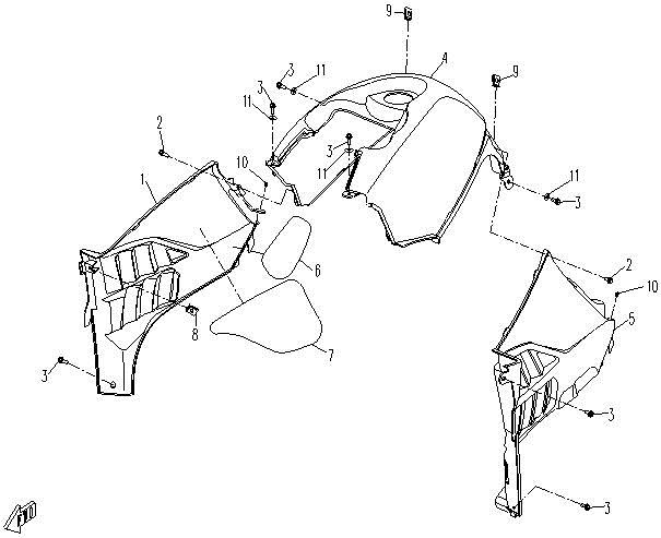
PLASTIC III - F07
PLASTIC IV - F08
STEERING SYSTEM - F09
FRONT WHEEL ASSY - F10
REAR WHEEL ASSY - F11
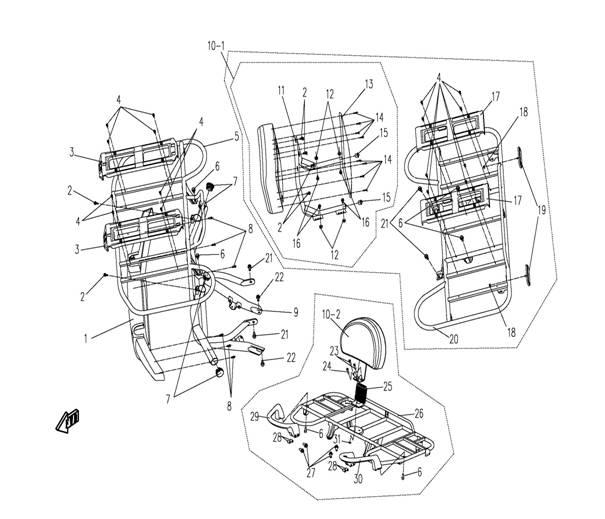
SEAT ASSY - F12
FUEL TANK - F13
MUFFLER - F14
FRONT SUSPENSION - F15
REAR SUSPENSION - F16
REAR TURN LIGHT - F17
TAIL LIGHT - F18
ELECTRIC SYSTEM - F19
HYDRAULIC BRAKE - F20
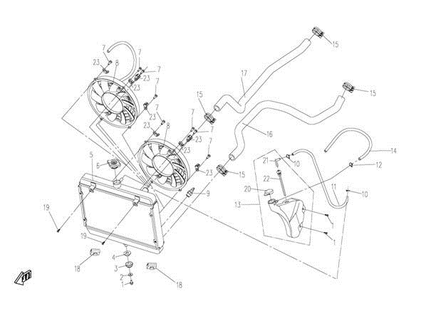
COOLING SYSTEM - F21
FRAME - F22
RACK@^BUMPER - F23-A
RACK@^BUMPER - F23-B
GEAR SHIFTING - F24
CVT COOLING SYSTEM - F25
TRANSMISSION SYSTEM - F26
TOOLS - F27
STICKERS - F28
AIR FILTER ASSY - F29
WINCH@^TOWING - F30
ENGINE SKID PLATE - F31
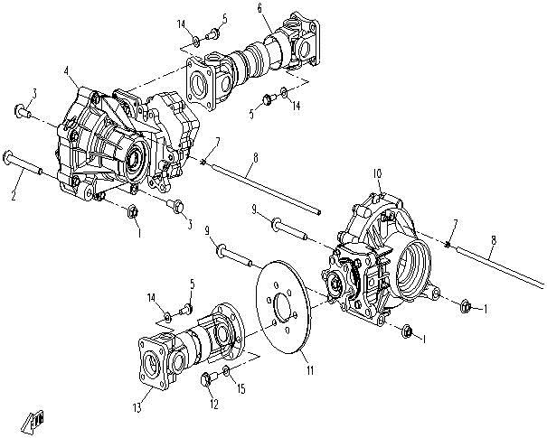
FRONT AXLE - F32
REAR AXLE - F33
AIR FILTER ASSY - F34
WINCH ASSY - F35



































